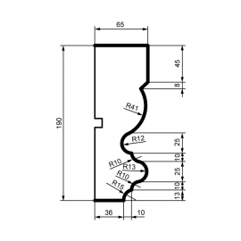
Fasadlist MC138

Moldura para fachadas MC138

28,56 € /m

57,11 € /art.
Dimensiones200 x 19 x 6,5 cm
2.00 m (57.11 €)pc

Fecha de entrega estimada: 02/02/2026

Svårt att bestämma dig? Beställ en provbit!

Pide muestras: — te enviamos hasta cuatro gratuitas. Solo pagarás 14.52 EUR en gastos de envío. El descuento se aplica automáticamente al pasar por caja.
  • Instalación sencilla

Molduras y elementos decorativos prémium para fachadas

Dale a tu fachada un aspecto elegante con esta moldura prémium. Fabricada con material compuesto resistente: perfiles cortados en poliestireno expandido PSB-S-25 y revestidos con una capa protectora de 2-2,5 mm que prolonga su vida útil.

Información del producto:

MC138 20